Unsere Servicerufnummer:

+49 2845 2950-0

Wir freuen uns auf Ihre Nachricht!

Kontakt-Formular

Im Hydraulik-Shop einloggen:

Anmelden
Sonderaktion
Vom 29.04.26 bis 01.07.26
  • Willkommen bei Indunorm Hydraulik | Nur für Gewerbetreibende
  • 5€ Frühbestellvorteil
  • Schnelle Lieferung innerhalb von 24h
  • Technische Beratung durch Branchenspezialisten

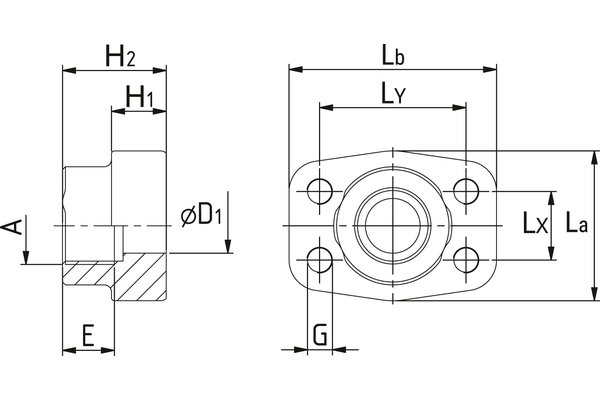
Einschraubgegenflansch 3000 PSI

Details

DN
16/19
25
31
38
50
Size
12
16
20
24
32
Zoll
3/4
1
1.1/4
1.1/2
2
Betriebsdruck [bar]
350
315
250
200
200
H1 [mm]
18
18
21
25
25,5
H2 [mm]
36
38
41
44
45
G
M10
M10
M10
M12
M12
Menge
 

Zubehör

Nutzen Sie zum Adaptieren auf andere Gewinde- und Dichtformen unsere große Auswahl an Verschraubungen.

Neben Indunorm-Produkten vertreiben wir u.a. Produkte der Marken: