Unsere Servicerufnummer:

+49 2845 2950-0

Wir freuen uns auf Ihre Nachricht!

Kontakt-Formular

Im Hydraulik-Shop einloggen:

Anmelden
Sonderaktion
Vom 29.04.26 bis 01.07.26
  • Willkommen bei Indunorm Hydraulik | Nur für Gewerbetreibende
  • 5€ Frühbestellvorteil
  • Schnelle Lieferung innerhalb von 24h
  • Technische Beratung durch Branchenspezialisten

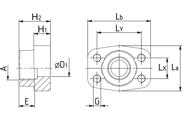
Einschraubgegenflansch 6000 PSI

Details

Artikelnummer
DN
16/19
31
38
Size
12
20
24
Zoll
3/4
1.1/4
1.1/2
Betriebsdruck [bar]
420
420
420
H1 [mm]
19,5
27,5
30
H2 [mm]
36
44
51
G
M10
M14
M16
Menge
 

Zubehör

Nutzen Sie zum Adaptieren auf andere Gewinde- und Dichtformen unsere große Auswahl an Verschraubungen.

Neben Indunorm-Produkten vertreiben wir u.a. Produkte der Marken: