Produktinformationen
-
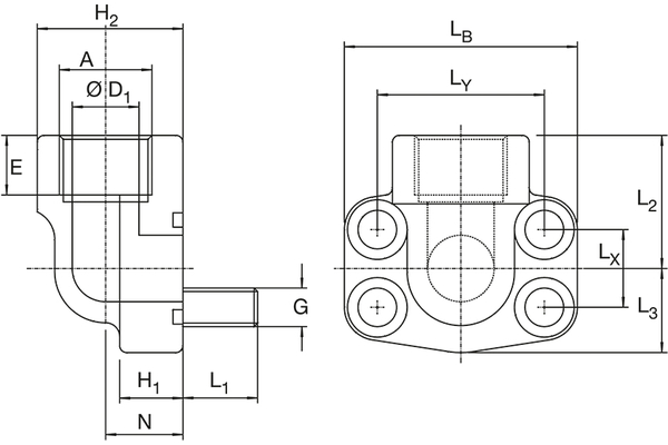
Technische Daten
DN: 19 Size: 12 Zoll: 3/4 Betriebsdruck [bar]: 420 L1 [mm]: 15 H1 [mm]: 20 H2 [mm]: 44,5 G: M10 A: G3/4" E [mm]: 22 L2 [mm]: 41 L3 [mm]: 27 Lb: 72 Lx [mm]: 23,8 Ly [mm]: 50,8 N [mm]: 28 Ø D1 [mm]: 19

