Produktinformationen
-
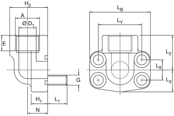
Technische Daten
DN: 31 Size: 20 Zoll: 1.1/4 Betriebsdruck [bar]: 420 L1 [mm]: 21 H1 [mm]: 25 H2 [mm]: 62,5 G: M14 A: G1.1/4" E [mm]: 25 L2 [mm]: 58 L3 [mm]: 39 Lb: 95 Lx [mm]: 31,8 Ly [mm]: 66,6 N [mm]: 36 Ø D1 [mm]: 31

