Frühbestellvorteil
Bei einem Bestelleingang bis 09:30 Uhr erhalten Sie zusätzlich 5 € Rabatt
(gilt für alle Paketversendungen nach AT, BE, CH, DE, DK, FR, LU, NL)
Unsere Servicerufnummer:
+49 2845 2950-0
Wir freuen uns auf Ihre Nachricht!
Im Hydraulik-Shop einloggen:
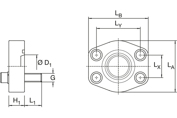
Artikelnummer: A16SFH-V-S
Listnummer: 15101300
Einteiliger Verschlussflansch 3.000 PSI inkl. Innensechskantschrauben und Federringe
Technische Änderungen vorbehalten.
Neuprodukte:
Neben Indunorm-Produkten vertreiben wir u.a. Produkte der Marken: