Produktinformationen
-
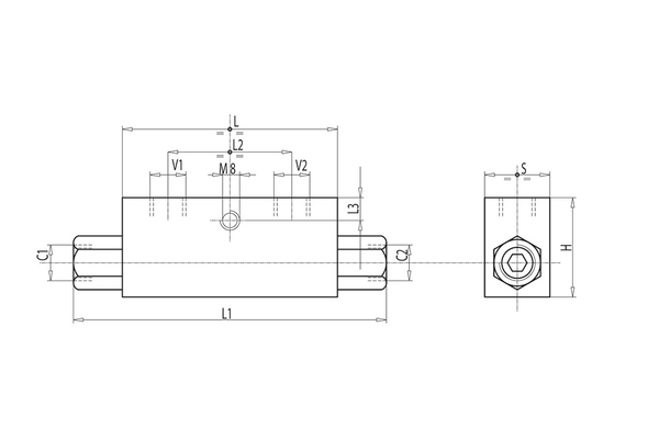
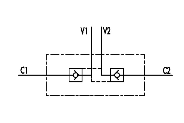
Technische Daten
Betriebsdruck [bar]: 350 Gewinde + Norm: M18x1,5 L Befestigungs-gewinde: M18x1,5 L Gewicht [kg]: 0,630 L1 [mm]: 118 max. Durchflussmenge [ltr / min]: 35 Öffnungsdruck [bar]: 4 H [mm]: 40 Entsperrverhältnis: 1:5,5 V1-V2 C1-C2 [GAS - MET]: M18x1,5 L L [mm]: 68 S [mm]: 30 L2 [mm]: 38 L3 [mm]: 8

