Produktinformationen
-
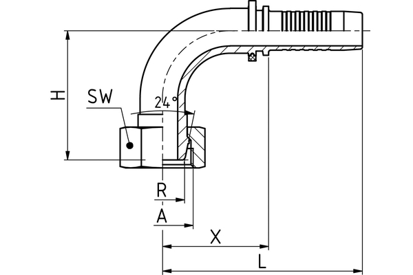
Technische Daten
DN: 10 Size: 06 Zoll: 3/8 Gewinde + Norm: Dichtkegel mit Überwurfmutter, leichte Reihe Anschluss-Gewinde A: M18x1,5 Rohr-Ø R [mm]: 12 X [mm]: 36,7 L1 [mm]: 70,0 H [mm]: 36,0 SW1 [mm]: 22 Mutterntyp: Hinterschub Anschlussart: DKL 90° Anschlussbezeichnung Indunorm: MSF 90° Armaturenreihe: Universalprogramm XV Bauform: 90° Material: Automatenstahl Oberfläche: Cr3

