Produktinformationen
-
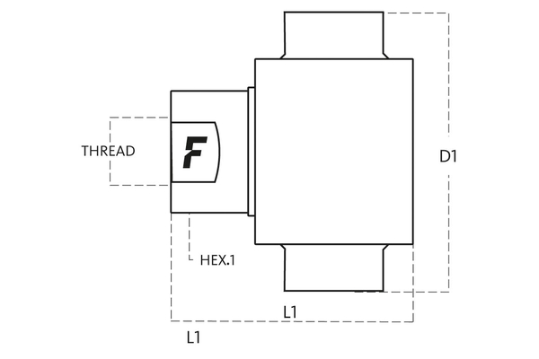
Technische Daten
DN: 25 Size: 16 Betriebsdruck [bar]: 350 Gewinde + Norm: NPT Innengewinde ANSI B1.20.3 Anschluss-Gewinde [GA]: 1" Außen-Ø Muffe [mm]: 105,5 Länge Muffe [mm]: 87,6 SW [mm]: 41 SW1 [mm]: 41 l/min bei ΔP=2 bar: 230 Beständigkeit gegen Rotrost [h]: 500 Einsatzgebiet: 500 Muffe oder Stecker: Muffe Oberfläche: Mate 500 (Chrom III) Temperaturbereich [°C]: -25 °C bis 100 °C Werkstoff Dichtung: NBR & PUR Werkstoff Gehäuse: Stahl

