Our service number:
+49 2845 2950-0

We are looking forward to your message

Contact form

InduShop Login:

Login
Special offer
From 29/04/2026 to 01/07/2026
  • Welcome to Indunorm Hydraulik | For professionals only
  • 5€ Early bird benefit
  • Quick delivery within 48h
  • Technical advice

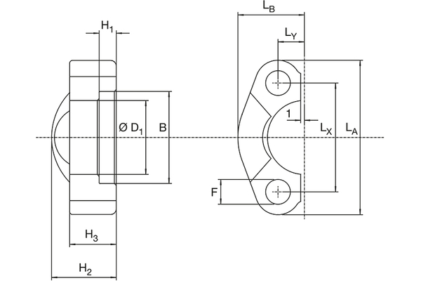
Half flange, standard design 6000 PSI

Detail

Art. No.
RX08SFC6
%
SALE
RX12SFC6
%
SALE
RX16SFC6
%
SALE
RX20SFC6
%
SALE
RX24SFC6
%
SALE
RX32SFC6
%
SALE
DN
12
16/19
25
31
38
51
Size
08
12
16
20
24
32
Inch
1/2
3/4
1
1.1/4
1.1/2
2
Working pressure [bar]
420
420
420
420
420
420
H1 [mm]
7,2
8,3
9,0
9,8
12,1
12,1
H2 [mm]
22
28
32
38
42
52
G
M8x30
M10x35
M12x45
M14x45
M16x55
M20x70
Quantity
 

In addition to Indunorm products, we also distribute brand products: