Product info
-
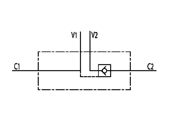
Technical data
Working pressure [bar]: 350 Thread + standard: BSP Thread [G1]: 3/8" Thread [G2]: 3/8" Fastening thread: 3/8" Weight [kg]: 1,130 L1 [mm]: 148 max flow [ltr / min]: 45 Opening pressure [bar]: 8 H [mm]: 45 pilot ratio: 1:5 V1-V2 C1-C2 [GAS - MET]: G 3/8" L [mm]: 90 S [mm]: 35 L2 [mm]: 45 L3 [mm]: 25 L4 [mm]: 12,5

