Our service number:
+49 2845 2950-0

We are looking forward to your message

Contact form

InduShop Login:

Login
Special offer
From 29/04/2026 to 01/07/2026
  • Welcome to Indunorm Hydraulik | For professionals only
  • 5€ Early bird benefit
  • Quick delivery within 48h
  • Technical advice

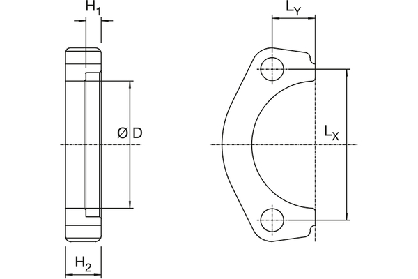
Half flange, flat design 3000 PSI

Detail

DN
12
16/19
25
51
Size
08
12
16
32
Inch
1/2
3/4
1
2
Working pressure [bar]
350
350
315
210
H1 [mm]
6,2
6,2
7,5
9,0
H2 [mm]
13
14
16
16
Quantity
 

In addition to Indunorm products, we also distribute brand products: