Our service number:
+49 2845 2950-0

We are looking forward to your message

Contact form

InduShop Login:

Login
Special offer
From 29/04/2026 to 01/07/2026
  • Welcome to Indunorm Hydraulik | For professionals only
  • 5€ Early bird benefit
  • Quick delivery within 48h
  • Technical advice

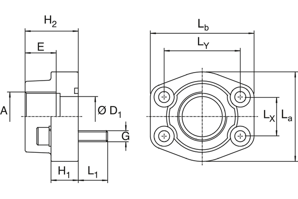
Screwing flange 3000 PSI

Detail

DN
12
16/19
25
31
38
51
Size
08
12
16
20
24
32
Inch
1/2
3/4
1
1.1/4
1.1/2
2
Working pressure [bar]
350
350
315
250
200
200
L1 [mm]
14
16
16
18
18
18
H1 [mm]
16
18
18
21
25
25,5
H2 [mm]
36
36
38
41
44
45
G
M8
M10
M10
M10
M12
M12
Quantity
 

In addition to Indunorm products, we also distribute brand products: