Our service number:
+49 2845 2950-0

We are looking forward to your message

Contact form

InduShop Login:

Login
Special offer
From 04/02/2026 to 04/03/2026
  • Welcome to Indunorm Hydraulik | For professionals only
  • 5€ Early bird benefit
  • Quick delivery within 48h
  • Technical advice

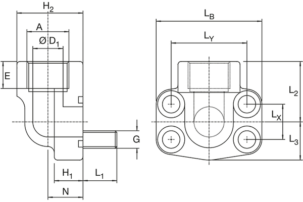
Thread - angle flange 90° 6000 PSI

Detail

DN
19
25
31
Size
12
16
20
Inch
3/4
1
1.1/4
Working pressure [bar]
420
420
420
L1 [mm]
15
19
21
H1 [mm]
19
24
25
H2 [mm]
44,5
53,5
62,5
G
M10
M12
M14
Quantity
 

In addition to Indunorm products, we also distribute brand products: