Product info
-
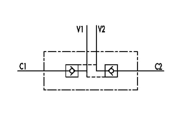
Technical data
Working pressure [bar]: 300 Thread + standard: G 3/4" Fastening thread: 3/4" Weight [kg]: 1,916 L1 [mm]: 192 max flow [ltr / min]: 100 Opening pressure [bar]: 2 H [mm]: 60 pilot ratio: 1:4 V1-V2 C1-C2 [GAS - MET]: G 3/4" L [mm]: 100 S [mm]: 40 L2 [mm]: 46 L3 [mm]: 12

