Product info
-
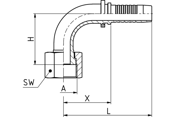
Technical data
DN: 10 Size: 06 Inch: 3/8 Thread + standard: ORFS sealing form, with union nut, UN / UNF / UNS-Thread Connection thread A: 11/16"-16 UN X [mm]: 37,0 L1 [mm]: 70,5 H [mm]: 37,0 SW1 [mm]: 22 Connection name Indunorm: LORF 90° Connection type: ORFS 90° with union nut Construction form: 90° Material: Free cutting steel Resistance against red rust [h]: 144 Resistance against white rust [h]: 72 Surface: galvanised and Cr III passivated Type of fittings: Universal series XV

