Product info
-
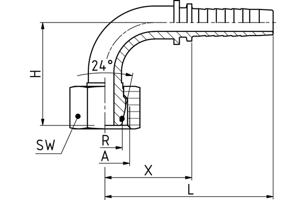
Technical data
DN: 10 Size: 06 Inch: 3/8" Thread + standard: Sealing cone with O-ring according to DIN 3865 (suitable for cone 24 ° DIN 3901 and 3902), union nut light series Pipe Ø R [mm]: 10 H [mm]: 40,5 d [mm]: 7,0 Pipe E [mm]: 10 T: M16-1,5 E [mm]: 19 C [mm]: 33,5 L [mm]: 63,5 Connection name Indunorm: MSOF 90° Connection type: DKM 90° Construction form: 90° Material: Free cutting steel Surface: CrIII Type of fittings: VC

