Product info
-
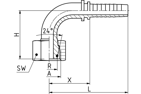
Technical data
DN: 10 Size: 06 Inch: 3/8" Thread + standard: Sealing cone with O-ring according to DIN 3865 (suitable for cone 24 ° DIN 3901 and 3902), union nut light series Pipe Ø R [mm]: 15 H [mm]: 38,0 d [mm]: 7,0 Pipe E [mm]: 15 T: M22-1,5 E [mm]: 27 C [mm]: 30,5 L [mm]: 60,5 Connection name Indunorm: MSOF 90° Connection type: DKM 90° Construction form: 90° Material: Free cutting steel Surface: CrIII Type of fittings: VC

