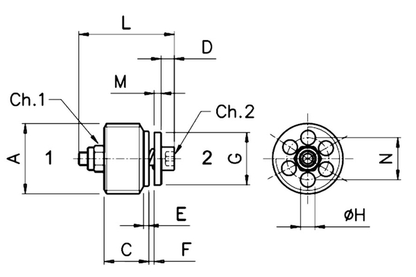
Benefit
Prevents a contamination of the environment and also ensures a maximum safety on lifting applications.Practical tip
To ensure the proper function please position the valve as close to the cylinder as possible. We recommend to set the volume for activation 50% above the operating pressure.Reserve technical changes.

