Product info
-
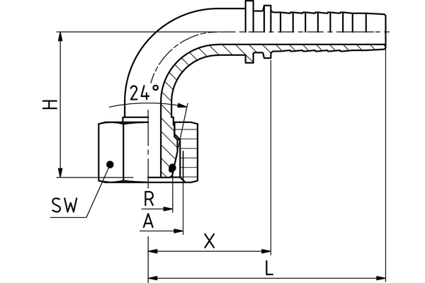
Technical data
DN: 8 Size: 05 Inch: 5/16" Thread + standard: Sealing cone with O-ring according to DIN 3865 (suitable for cone 24 ° DIN 3901 and 3902), union nut light series Pipe Ø R [mm]: 12 H [mm]: 35,0 d [mm]: 5,5 T: M18x1,5 E [mm]: 22 C [mm]: 27,0 L [mm]: 60,5 Connection name Indunorm: MSOF 90° Connection type: DKM 90° Construction form: 90° Material: Free cutting steel Surface: CrIII Type of fittings: VC

